 |
|
| |
产品目录 |
|
|
|
| (八)SSG型快速清污过滤器 |
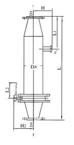
| 快速清污过滤器器具有阻力小,清污过滤质量高,安装操作方便等优点。在管路系统连续运行不停机的情况下,可进行清扫排污。过滤器工作时,蝶阀阀板处于全开状态,介质从左端进入滤材内侧,经滤材过滤后,清洁介质入管系统,杂质及污物截流在滤材的容腔内,清扫排污时蝶阀阀板处于关闭状态。排污管外阀门打开,由于过滤器内介质与排污管外产生压差,介质流向迅速改变,由滤材外侧流入内侧,将杂质及污物排出,在排污过程中滤器正常运作。
|
|
|
| |
快速清污过滤器 |
|
| |
|
DS
|
结构尺寸
|
法兰标准
|
应用范围
|
|
DN1
|
DN2
|
H1
|
H2
|
L
|
L1
|
L2
|
|
50
|
100
|
25
|
150
|
170
|
400
|
150
|
250
|
HG20593-
20595-97
|
1、采暖空调及
冷藏储备中心。
2、半导体生产
冲洗水、去离子
水、电镀流。
3、食品和饮料
加工的工艺水,
纯净饮用水。
4、电工高压或
次高压锅炉补给
水。
5、冶金和石化
行业的给排水。
6、工业气体。 |
|
65
|
125
|
32
|
160
|
180
|
500
|
180
|
250
|
|
80
|
150
|
32
|
170
|
230
|
600
|
190
|
250
|
|
100
|
200
|
40
|
190
|
260
|
720
|
205
|
350
|
|
125
|
200
|
40
|
190
|
260
|
740
|
225
|
350
|
|
150
|
250
|
50
|
220
|
290
|
860
|
265
|
350
|
|
200
|
350
|
65
|
280
|
360
|
1080
|
250
|
350
|
|
250
|
400
|
80
|
310
|
400
|
1250
|
270
|
350
|
|
300
|
450
|
80
|
330
|
410
|
1250
|
270
|
350
|
|
350
|
500
|
80
|
360
|
450
|
1250
|
270
|
350
|
|
400
|
600
|
100
|
410
|
510
|
1950
|
360
|
400
|
|
450
|
600
|
100
|
410
|
510
|
2150
|
290
|
400
|
|
500
|
600
|
100
|
410
|
510
|
2150
|
300
|
400
|
|
600
|
800
|
125
|
520
|
580
|
2470
|
370
|
450
|
|
800
|
1100
|
125
|
650
|
740
|
2640
|
480
|
450
|
|
SSG型快速清污过滤器结构
尺寸及运用范围 表1-23
快速清污过滤器结构
安装尺寸图
注:设计压力:1.6MPa;设计温度≤250℃ |
|
| |
|