 |
|
| |
产品目录 |
|
|
|
 |
| |
共 3 页 第 1 页 |
分页: 1 2 3
|
| (九)SJS型精密过滤器系列 |
 |
简介
精细过滤器是由滤袋、滤筒、金属纤维烧结滤芯(316L)或非金属纺织纤维、陶瓷滤件等,及壳体三部分做成一个简便高效经济的过滤系统,能过滤0.5-80um微小脏物,从而得到清洁的流体,广泛使用于石油、化工、化妆品、油漆、纺织、涂料、油墨、植物油、电镀液废水等方面。 |
| SJSBI单袋式精细过滤器 |
SJSB I SJSB II
|
| |
|
型号
|
流量M3/h
|
过滤面积M2
|
过滤尺寸
|
进出口N1,N2
|
|
h
|
H
|
A
|
D
|
|
SJSB-IA
|
12
|
0.16
|
420
|
480
|
100
|
Φ114
|
G11/4
|
|
SJSB-IB
|
36
|
0.5
|
800
|
880
|
310
|
Φ219
|
DN50 PN1.6
|
|
表1-24
注:表中所列流量以水为介质。 |
|
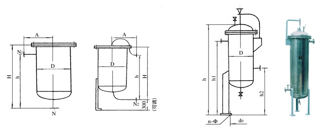
| SJSBII多袋式精细过滤器 表1-25 |
| |
|
型号
|
流量m3/h
|
滤袋数
|
安装尺寸
|
进出口N1N2
|
|
h1
|
h2
|
h
|
D
|
d0
|
n-Φ
|
|
SJSB-3II
|
108
|
3
|
1650
|
750
|
2100
|
Φ600
|
Φ560
|
3-Φ26
|
DN100 PN1.6
|
|
SJSB-4II
|
144
|
4
|
1650
|
750
|
2100
|
Φ600
|
Φ560
|
3-Φ26
|
DN125 PN1.6
|
|
SJSB-6II
|
216
|
6
|
1650
|
750
|
2200
|
Φ800
|
Φ750
|
3-Φ26
|
DN150 PN1.6
|
|
SJSB-8II
|
288
|
8
|
1700
|
800
|
2380
|
Φ900
|
Φ840
|
4-Φ26
|
DN200 PN1.6
|
|
SJSB-10II
|
360
|
10
|
1950
|
1000
|
2850
|
Φ1000
|
Φ940
|
4-Φ26
|
DN250 PN1.6
|
|
SJSB-12II
|
432
|
12
|
1950
|
1000
|
2850
|
Φ1000
|
Φ940
|
4-Φ26
|
DN250 PN1.6
|
|
SJSB-16II
|
576
|
16
|
2130
|
1110
|
2950
|
Φ1200
|
Φ1140
|
4-Φ26
|
DN300 PN1.6
|
|
SJSB-18II
|
648
|
18
|
2130
|
1110
|
2950
|
Φ1200
|
Φ1140
|
4-Φ26
|
DN350 PN1.6
|
注:1、表中所列流量以水为介质。2、本图示仅一种形式,其余可参阅附图。 |
|

SJSB III
|
|
|
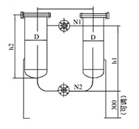
| SJSBIII双联袋式精细过滤器 表1-26 |
| |
|
型号
|
流量m3/h
|
过滤面积
|
安装尺寸
|
进出口N1,N2
|
|
h1
|
h2
|
A
|
D
|
|
SJSB-IIIA
|
24
|
0.32
|
480
|
480
|
450
|
Φ114
|
DN40
|
|
SJSB-IIIB
|
72
|
1.0
|
980
|
980
|
740
|
Φ219
|
DN65
|
注:1、表中所列流量以水为介质。 |
|
| |
|
|
|