
适用范围:SSQ型气体
过滤器广泛应用工业生
产部门中气体过滤,
如:空气、氮气、氧气
等气体的过滤。
|
|
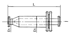
DN
|
PN≤1.6kgf/cm2
|
PN≤4.0kgf/cm2
|
|
L
|
D1
|
D2
|
L
|
D1
|
D2
|
|
40
|
431.5
|
45×3
|
89×4.5
|
495
|
45×3.5
|
89×5.5
|
|
50
|
506.5
|
57×3.5
|
108×4.5
|
484
|
57×4.5
|
108×6
|
|
65
|
576.5
|
73×4
|
133×5
|
584
|
73×5
|
133×6.5
|
|
80
|
612.5
|
89×4.5
|
159×5
|
637.5
|
89×5.5
|
159×7
|
|
100
|
717.5
|
108×4.5
|
219×7
|
769.5
|
108×6
|
219×7.5
|
|
125
|
803.5
|
133×5
|
273×7
|
866.5
|
133×6.5
|
268×8
|
|
150
|
912.5
|
159×5
|
273×7
|
984.5
|
159×7
|
270×9
|
|
200
|
1152.5
|
219×7
|
377×8
|
1223.5
|
219×8.5
|
371×10
|
|
250
|
1463.5
|
273×7
|
529×8
|
1565.5
|
270×9
|
519×12
|
|
300
|
1650.5
|
325×8
|
529×8
|
1855.5
|
325×12
|
618×14
|
|
350
|
1875.5
|
377×8
|
630×9
|
2115.5
|
377×13
|
630×16
|
|
400
|
2093.5
|
426×9
|
720×10
|
2353.5
|
426×14
|
720×16
|
|