产品目录
    松林石化:
  过滤设备
  静态混合设备
  换热器冷却设备
  动态混合设备
  石化管道设备
  规整填料
  油罐附件
  呼吸阀

  3 页   第 1 分页: 1 2 3

五、石化管道设备

  (一)TSG视镜
  ★概述
  视镜在石油、化工、医药、食品等工业生产装置的管道中,能随时视察管中介质流动情况,起到了监视生产,避免生产过程中事故发生,是管道装置上不可缺少的附件。

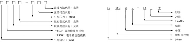
  ★型号标注                          ★标注示例

 

表5-1
类型
对夹型
单压型
螺纹压紧型
框式对夹
框式单压
管型
代号
1
2
3
4
5
6

 

表5-2
代号
结构形式
图形示意
代号
结构形式
图形示意
1
直径
5
摆板
2
缩径
6
叶轮
3
偏径
7
浮球
4
无径
8
其它

 
关于我们 | 产品介绍 | 信息反馈 | 联系方法 | 电子邮局 | 返回首页 | 电子信箱
版权所有© 启东市松林石化设备制造有限公司
地址:汇龙镇城东工业集中区1号 邮编:226200
电话:0513-83665998 手机:13951421718 13951305867