产品目录
    松林石化:
  过滤设备
  静态混合设备
  换热器冷却设备
  动态混合设备
  石化管道设备
  规整填料
  油罐附件
  呼吸阀

(九)SJF乏气分油器

  ★产品简介
  乏气分油器能有效地除掉乏气中夹带的润滑油滴,对保护环境和整个装置正常运行都具有十分重要的意义。
  我公司生产的SJF型乏气分油器主要技术参数如下:
  操作介质:水蒸汽。 最高工作压力:0.3MPa。
  设计压力:0.3MPa。 设计温度:180℃。
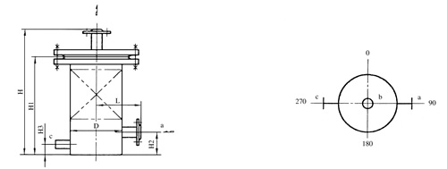
  ★产品结构示意图
  ★开口说明 表5-33
型号
蒸汽入口a
蒸汽出口b
油出口c
公称直径
公称压力MPa
公称直径
公称压力MPa
公称直径
公称压力MPa
SJF-80
80
0.6
80
0.6
Rc3/4
Rc1
1.6
SJF-100
100
100
SJF-150
150
150
SJF-200
200
200
  ★产品主要连接尺寸 表5-34
尺寸
 型号
L
D
H
H1
H2
H3
SJF-80
259.5
219
668
500
150
45
SJF-100
259.5
219
668
500
150
45
SJF-150
388.5
377
870
650
230
55
SJD-200
464.5
529
976
750
300
55
  ★订货说明
  1、本系列设备已按蒸汽接管尺寸考虑了相应的分离面积,用户可直接根据蒸汽管径选用。
  2、本系列设备均按GB150-1998《钢制压力容器》和劳动部颁发的“压力容器安全技术监察规程”的有关规定进行制造和验收。
  3、本系列设备接管法兰按HG20593-97标准,并带配对法兰,也可提供GB、SH、JB、ANSZ、JIS等。
  4、本系列设备材质为碳钢,用户如选用不锈钢等材料,订货时应注明。
关于我们 | 产品介绍 | 信息反馈 | 联系方法 | 电子邮局 | 返回首页 | 电子信箱
版权所有© 启东市松林石化设备制造有限公司
地址:汇龙镇城东工业集中区1号 邮编:226200
电话:0513-83665998 手机:13951421718 13951305867