 |
|
| |
产品目录 |
|
|
|
| (十)SLVY手动在线清理过滤器 |
手动在线式清洗过滤器其滤件采用Johnson滤网,它是由楔形条与垂直排列支撑杆焊接,形成连续、均匀的条状缝隙,控制缝隙间隔来达到过滤目的。工业滤网相比,具有有效过滤面积大,防止堵塞效果好,容易清洗,强度高,寿命更长等优点。由Johnson滤网组成的在线式手动清洗过滤器,清洗时无需拆卸过滤的任何部件,只需开启排污阀,并同时转动过滤器的手柄,旋转3-4圈,即可完成清洗。
★在线式手动清洗过滤器主要特点
1、清洗时间短,仅需几秒钟;
2、能保持系统连续工作,无需停机;
3、清洗耗费物料少,只有主管道平均流量的1-2%。
★在线式手动清洗过滤器主要性能
1、过滤精度:100-1000um;
2、公称压力:0.6、1.0、1.6、2.5、4.0MPa;
3、公称直径:50-300mm。
|
 |
| |
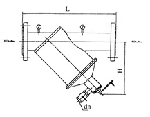
★在线手动清洗过滤器结构简图及尺寸 表1-33 |
|
| |
|
公称直径
DN
|
结构尺寸(PN≤4.0MPa)
|
|
dn
|
L
|
H
|
|
50
|
Rc1/2
|
250
|
210
|
|
65
|
Rc1/2
|
340
|
290
|
|
80
|
Rc3/4
|
380
|
330
|
|
100
|
Rc3/4
|
420
|
280
|
|
125
|
Rc1
|
480
|
430
|
|
150
|
Rc1
|
540
|
480
|
|
200
|
Rc11/2
|
650
|
590
|
|
250
|
Rc11/2
|
750
|
710
|
|
300
|
Rc2
|
840
|
820
|
|
|
|
| |
|
|
| |
|
|
|