产品目录
    松林石化:
  过滤设备
  静态混合设备
  换热器冷却设备
  动态混合设备
  石化管道设备
  规整填料
  油罐附件
  呼吸阀

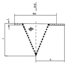
(五)SC型过滤器

SC-I型过滤器

SC-II型过滤器
  SC-(I型) 表1-18 SC-(II型) 表1-19
 
公称直径
Norminal Diameter
安装尺寸(Size of Installing)(mm)
d
i
h
t
PN0.6
PN1.0
PN2.5
20
52
60
60
19
85
2
25
62
70
70
26
90
2
32
40
80
80
34
100
2
40
84
90
90
41
120
2
50
94
105
105
55
130
2
65
114
125
125
77
140
2
80
132
142
142
92
150
2
100
152
162
162
113
160
2
125
182
192
192
143
190
2
150
206
218
218
172
210
2
200
262
272
282
242
240
2
250
316
326
340
302
270
3
300
370
382
395
363
300
3
350
420
438
454
425
340
6
400
470
492
510
479
365
6
500
575
590
616
600
430
6
600
676
690
726
714
490
6
公称直径
Norminal
Diameter
安装尺寸(Size of Installing)(mm)
d
i
h
t
PN0.6
PN1.0
PN2.5
25
62
70
70
46
90
2
32
72
80
80
61
100
2
40
84
90
90
66
120
2
50
94
105
105
81
130
2
65
114
125
125
91
140
2
80
132
142
142
111
150
2
100
152
162
162
141
160
2
125
182
192
192
172
190
3
150
206
218
218
202
210
3
200
262
272
282
262
240
3
250
316
326
340
322
270
3
300
370
382
395
362
300
3
350
420
438
454
404
340
6
400
470
492
510
464
365
6
500
575
590
616
564
430
6
600
676
690
726
684
490
6

SC-(III型) 表1-20
DN
0.6MPa-2.5MPa
D
K
N
板厚T
H
20
105
75
4-Φ14
1
40
25
115
85
4-Φ14
1
60
32
140
100
4-Φ18
1.5
90
40
150
110
4-Φ18
1.5
100
50
165
125
4-Φ18
1.5
115
65
185
145
4-Φ18
1.5
140
80
200
160
8-Φ18
1.5
165
100
220
180
8-Φ18
2
215
125
250
210
8-Φ18
2
265
150
185
240
8-Φ22
2
330
200
340
295
12-Φ22
2.5
430
250
405
355
12-Φ26
2.5
535
300
460
410
12-Φ26
3
635
350
520
470
16-Φ26
3
740
400
580
525
16-Φ30
34
850
 
关于我们 | 产品介绍 | 信息反馈 | 联系方法 | 电子邮局 | 返回首页 | 电子信箱
版权所有© 启东市松林石化设备制造有限公司
地址:汇龙镇城东工业集中区1号 邮编:226200
电话:0513-83665998 手机:13951421718 13951305867