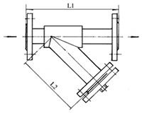
(二)SLY型过滤器
SLYI型 表1-5 |
| |
|
型号Models
|
公称直径
Norminal Diameter
|
外型尺寸(Contour size)
|
|
L1
|
L2
|
|
SLY20I
|
20
|
270
|
190
|
|
SLY25I
|
25
|
270
|
190
|
|
 |
|
| |
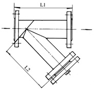
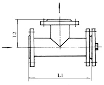
| SLYII型 表1-6 |
| |
|
型号Models
|
公称直径
Norminal Diameter
|
外型尺寸(Contour size)
|
|
L1
|
L2
|
|
SLY32II
|
32
|
270
|
190
|
|
SLY40II
|
40
|
270
|
230
|
|
SLY50II
|
50
|
290
|
240
|
|
SLY80II
|
80
|
350
|
305
|
|
SLY100II
|
100
|
425
|
345
|
|
SLY150II
|
150
|
540
|
450
|
|
SLY200II
|
200
|
700
|
530
|
|
SLY250II
|
250
|
800
|
670
|
|
SLY300II
|
300
|
950
|
750
|
|
SLY350II
|
350
|
1050
|
850
|
|
SLY400II
|
400
|
1250
|
920
|
|
 |
|
| SLYIII型 表1-7 |
| |
|
型号Models
|
公称直径
Norminal Diameter
|
外型尺寸(Contour size)
|
|
L1
|
L2
|
|
SLY100III
|
100
|
360
|
160
|
|
SLY150III
|
150
|
440
|
200
|
|
SLY200III
|
200
|
540
|
230
|
|
SLY250III
|
250
|
600
|
270
|
|
SLY300III
|
300
|
680
|
300
|
|
SLY350III
|
350
|
750
|
340
|
|
SLY400III
|
400
|
850
|
380
|
|
 |
|
| |
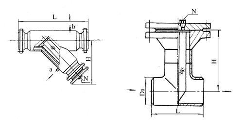
SLYF型
Y型带夹套焊接型法兰连接式过滤器(SLYF型)见图,表8(DN20-200,PN≤5.0MPa)
表1-8 |
| |
|
公称直径DN
|
结构尺寸
|
夹套
|
管塞N
|
|
L
|
H
|
进口a
|
出口b
|
蒸汽压力
|
|
20
|
370
|
235
|
G1/2"
|
G1/2"
|
≤0.6MPa
|
ZG1/4"
|
|
25
|
370
|
235
|
G1/2"
|
G1/2"
|
|
32
|
390
|
275
|
G1/2"
|
G1/2"
|
|
40
|
390
|
285
|
G3/4"
|
G3/4"
|
|
50
|
420
|
295
|
G3/4"
|
G3/4"
|
ZG3/8"
|
|
65
|
450
|
330
|
G3/4"
|
G3/4"
|
|
80
|
500
|
370
|
G3/4"
|
G3/4"
|
|
100
|
575
|
415
|
G3/4"
|
G3/4"
|
|
125
|
650
|
450
|
G3/4"
|
G3/4"
|
|
150
|
700
|
525
|
DN25
|
DN25
|
ZG3/4"
|
|
200
|
890
|
610
|
DN25
|
DN25
|
|
|
|
|
|
|