|
(八)SQF蒸汽分水器
|
★产品简单
蒸汽分水器能有效地分离蒸汽中的水滴,对整个装置正常运行超保护作用,因此凡在石油化工装置内自产的饱和蒸汽并入相应管网前以及蒸汽进入汽轮之前,都应设置蒸汽分水器。
我公司生产的SQF型蒸汽分水器主要技术参数如下:
操作介质:水蒸汽、水;最高工作压力:1.0MPa;设计压力:1.3MPa;设计温度300℃。
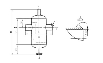
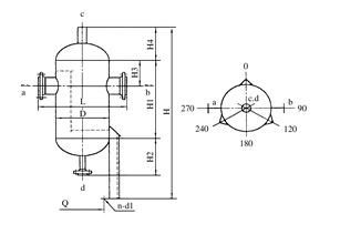
★产品结构示意图 |

I、SQF-50、80、100。
|

II、SQF-150、200、250、300、350。
|
|
| ★开口说明 表5-31 |
|
代号及名称
规格
型号
|
蒸汽入口a
|
蒸汽出口b
|
排气口c
|
排水口d
|
|
公称
直径
|
公称压力
MPa
|
公称
直径
|
公称压力
MPa
|
公称
直径
|
公称压力
MPa
|
公称
直径
|
公称压力
MPa
|
|
SQF-50
|
50
|
1.57
|
50
|
1.57
|
Rc3/4
|
15.58
|
20
|
1.57
|
|
SQF-80
|
80
|
80
|
|
SQF-100
|
100
|
100
|
|
SQF-150
|
150
|
150
|
25
|
|
SQF-200
|
200
|
200
|
|
SQF-250
|
250
|
250
|
|
SQF-300
|
300
|
300
|
|
SQF-350
|
350
|
350
|
|
|
| ★产品主要连接尺寸 表5-32 |
|
尺寸型号
|
L
|
D
|
H
|
H1
|
H2
|
H3
|
H4
|
Q
|
n-d1
|
|
SQF-50
|
460
|
159
|
712
|
300
|
215
|
100
|
/
|
/
|
/
|
|
SQF-80
|
574
|
273
|
896
|
400
|
285
|
120
|
/
|
/
|
/
|
|
SQF-100
|
678
|
377
|
1046
|
500
|
584
|
150
|
/
|
/
|
/
|
|
SQF-150
|
916
|
500
|
1758
|
650
|
308
|
180
|
290
|
464
|
3-Φ20
|
|
SQF-200
|
1120
|
700
|
1990
|
750
|
375
|
250
|
355
|
688
|
3-Φ20
|
|
SQF-250
|
1220
|
800
|
2040
|
750
|
400
|
270
|
380
|
788
|
3-Φ20
|
|
SQF-300
|
1424
|
1000
|
2292
|
900
|
452
|
300
|
430
|
486
|
3-Φ24
|
|
|
★订货说明
1、本系列设备已按蒸汽接管尺寸考虑了相应的分离面积,用户可直接根据蒸汽管径选用。
2、本系列设备均按GB150-1998《钢制压力容器》和劳动颁发的“压力容器安全技术监察规格”的有关规定进行制造和验收。
3、本系列设备按管法兰按HG20593-97标准,并带配对法兰,也可提供GB、SH、JB、ANSZ、JIS等。
4、本系列设备材质为碳钢,用户如选用不锈钢等材料,订货时应注明。 |