 |
|
| |
产品目录 |
|
|
|
 |
| |
共 2 页 第 1 页 |
分页: 1 2 |
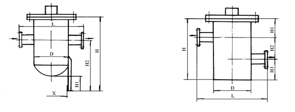
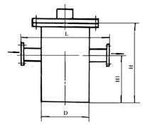
(三)SLS型过滤器
SLS-I型 表1-12 |
| |
| |
|
型号Models
|
公称直径Norminal
|
L
|
D
|
H
|
H1
|
|
SLS25I
|
25
|
180
|
76
|
260
|
160
|
|
SLS32I
|
32
|
200
|
76
|
270
|
160
|
|
SLS40I
|
40
|
260
|
108
|
300
|
170
|
|
SLS50I
|
50
|
260
|
108
|
330
|
170
|
|
SLS65I
|
65
|
330
|
133
|
360
|
210
|
|
SLS80I
|
80
|
340
|
159
|
400
|
250
|
|
SLS100I
|
100
|
400
|
219
|
470
|
300
|
|
SLS125I
|
125
|
480
|
273
|
550
|
360
|
|
SLS150I
|
150
|
500
|
273
|
630
|
420
|
|
SLS200I
|
200
|
560
|
325
|
780
|
530
|
|
SLS250I
|
250
|
660
|
426
|
930
|
640
|
|
SLS300I
|
300
|
750
|
478
|
1200
|
840
|
|
|
|
|
| SLS-II型 表1-13 |
| |
|
型号Models
|
公称直径
Norminal
|
L
|
D
|
H
|
H1
|
H2
|
支承件(Supporting assembly)
|
|
X
|
螺栓(bolt)
|
|
SLS350II
|
350
|
800
|
500
|
1680
|
300
|
1310
|
400
|
M16
|
|
SLS400II
|
400
|
840
|
550
|
1850
|
300
|
1450
|
440
|
M16
|
|
SLS450II
|
450
|
960
|
600
|
2050
|
300
|
1610
|
520
|
M20
|
|
SLS500II
|
500
|
1060
|
700
|
2210
|
300
|
1740
|
620
|
M20
|
|
|
|
|
|
|
|