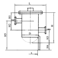
(三)SLS型过滤器
SLS-III型 表1-14 |
| |
|
型号Models
|
公称直径
Norminal Diameter
|
L
|
D
|
H
|
H1
|
H2
|
H3
|
|
SLS25III
|
25
|
180
|
76
|
280
|
100
|
70
|
110
|
|
SLS32III
|
32
|
200
|
76
|
285
|
105
|
70
|
110
|
|
SLS40III
|
40
|
260
|
108
|
340
|
120
|
100
|
120
|
|
SLS50III
|
50
|
260
|
108
|
340
|
120
|
100
|
120
|
|
SLS65III
|
65
|
330
|
133
|
400
|
130
|
110
|
160
|
|
SLS80III
|
80
|
340
|
159
|
460
|
140
|
140
|
180
|
|
SLS100III
|
100
|
400
|
219
|
550
|
160
|
170
|
220
|
|
SLS125III
|
125
|
480
|
273
|
630
|
180
|
190
|
260
|
|
SLS150III
|
150
|
500
|
273
|
720
|
190
|
220
|
310
|
|
SLS200III
|
200
|
560
|
325
|
900
|
230
|
280
|
390
|
|
SLS250III
|
250
|
660
|
426
|
1070
|
270
|
320
|
480
|
|
SLS300III
|
300
|
750
|
478
|
1360
|
320
|
400
|
640
|
|
|
|
| |
| SLS-IV型 表1-15 |
| |
|
型号Models
|
公称直径
Norminal Diameter
|
L
|
D
|
H
|
H1
|
H2
|
H3
|
H4
|
H5
|
支承件(Supporting assembly)
|
|
X
|
螺栓(bolt)
|
|
SLS350IV
|
350
|
800
|
500
|
1590
|
370
|
450
|
770
|
300
|
1520
|
400
|
M16
|
|
SLS400IV
|
400
|
840
|
550
|
1790
|
400
|
520
|
780
|
300
|
1690
|
440
|
M16
|
|
SLS450IV
|
450
|
960
|
600
|
2020
|
440
|
600
|
980
|
300
|
1880
|
520
|
M20
|
|
SLS500IV
|
500
|
1080
|
700
|
2210
|
470
|
650
|
1090
|
300
|
2040
|
620
|
M20
|
|
|
| |
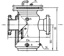
篮式带夹套直通法兰连接式过滤器(SLSIF型),
见图,表15
(DN25-200,PN≤5.0MPa) |
|
|
| SLS-IF型 表1-16 |
| |
|
公称直径DN
|
公称压力PN
|
结构尺寸
|
夹套
|
管塞N
|
|
L
|
H
|
H1
|
蒸汽压力
|
D
|
进口a
|
出口b
|
|
25
|
≤5.0MPa
|
215
|
350
|
180
|
≤0.6MPa
|
Φ108
|
G3/4"
|
G3/4"
|
ZG3/4"
|
|
32
|
235
|
360
|
180
|
Φ108
|
G3/4"
|
G3/4"
|
|
40
|
300
|
430
|
210
|
Φ159
|
G3/4"
|
G3/4"
|
|
50
|
300
|
430
|
210
|
Φ159
|
G3/4"
|
G3/4"
|
|
65
|
450
|
490
|
250
|
Φ159
|
G3/4"
|
G3/4"
|
|
80
|
460
|
530
|
290
|
Φ273
|
DN20
|
DN20
|
|
100
|
500
|
600
|
345
|
Φ325
|
DN20
|
DN20
|
|
125
|
580
|
700
|
410
|
Φ377
|
DN25
|
DN25
|
|
150
|
600
|
780
|
470
|
Φ377
|
DN25
|
DN25
|
|
200
|
660
|
930
|
580
|
Φ426
|
DN25
|
DN25
|
|
|
|
|