|
(六)SD消声器
|
★概述
消声器是一种能阻碍声音传播而让气流通过的,防治空气功力性噪声的主要设备。我公司生产的消声器系列适用于锅炉蒸气、加热炉、烘炉开工时管道排汽放空消声,并适用于其它气体(如空气过热蒸汽、饱合蒸汽、氮、氧及空压机、风机的多余气体等)进、排放消声。产品经广大用户使用证明,消声效果良好,消声量可达30dB(A)以上,完全符合国家《工业企业噪声》卫生标准。 |
| ★型号标志 |
|
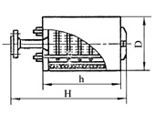
★SDS型蒸汽排汽消声器
1、SDS-Ⅰ型蒸汽排消声器
说明:◆本系列消声器额定排放流量按1.3MPa设计,如排汽压力为0.8MPa,选项用消声器应比排放管径大一级;排汽压力为2.0MPa时应比排放管径大一级选用。
◆本系列消声器声量:35dB(A)。◆本系列消声器接管法兰标准为:HG20593-20595-97。 |
表5-23
|
型号
|
接管规格
DN
|
排放流量
(t/h)
|
适用压力
(MPa)
|
外型尺寸(mm)
|
|
H
|
h
|
F
|
D
|
|
SDS-I-1/1.3
|
32
|
1
|
≤1.3
|
730
|
100
|
300
|
159
|
|
SDS-I-2/1.3
|
50
|
2
|
770
|
100
|
350
|
219
|
|
SDS-I-4/1.3
|
65
|
4
|
1140
|
150
|
450
|
298
|
|
SDS-I-6/1.3
|
80
|
6
|
1250
|
150
|
500
|
351
|
|
SDS-I-8/1.3
|
100
|
8
|
1365
|
150
|
520
|
377
|
|
SDS-I-10/1.3
|
125
|
10
|
1625
|
150
|
600
|
426
|
|
SDS-I-16/1.3
|
150
|
16
|
1790
|
150
|
700
|
498
|
|
|
|
2、SDS-Ⅱ型蒸汽消声器 表5-24
|
型号
|
排放流
|
适用压力(MPa)
|
外型尺寸(mm)
|
|
F×t
|
H
|
h
|
D
|
|
SDS-Ⅱ-2/1.3
|
2
|
0.98-1.27
|
F45×3
|
765
|
600
|
410
|
|
SDS-Ⅱ-3/1.3
|
3
|
F57×3.5
|
425
|
|
SDS-Ⅱ-5/1.3
|
5
|
F76×4
|
500
|
|
SDS-Ⅱ-15/1.3
|
15
|
F108×4
|
1065
|
900
|
630
|
|
SDS-Ⅱ-20/1.3
|
20
|
F133×4
|
1155
|
990
|
740
|
|
SDS-Ⅱ-30/1.3
|
30
|
F159×4.5
|
1265
|
1100
|
880
|
|
SDS-Ⅱ-35/1.3
|
35
|
F219×6
|
1365
|
1200
|
915
|
|
SDS-Ⅱ-6/3.9
|
6
|
3.42-3.82
|
F57×4
|
765
|
600
|
353
|
|
SDS-Ⅱ-8/3.9
|
8
|
F76×4.5
|
965
|
800
|
665
|
|
SDS-Ⅱ-10/3.9
|
10
|
695
|
|
SDS-Ⅱ-15/3.9
|
15
|
F89×5
|
990
|
825
|
825
|
|
SDS-Ⅱ-20/3.9
|
20
|
1165
|
1000
|
975
|
|
SDS-Ⅱ-25/3.9
|
25
|
F108×6
|
900
|
|
SDS-Ⅱ-30/3.9
|
30
|
1465
|
1300
|
1035
|
|
SDS-Ⅱ-35/3.9
|
35
|
F133×7
|
1135
|
|
SDS-Ⅱ-45/3.9
|
45
|
1685
|
1500
|
1195
|
|
SDS-Ⅱ-65/3.9
|
65
|
F159×8
|
2065
|
1900
|
1375
|
|
|
|
3、SDA型气体放空消声器 表5-25
|
型号
|
排放容量(m3/min)
|
适用压力(MPa)
|
接管规格DN
|
外型尺寸(mm)
|
|
H
|
h
|
D
|
|
SDA-3/0.8
|
3
|
0.8
|
25
|
630
|
570
|
108
|
|
SDA-6/0.8
|
6
|
40
|
|
SDA-10/0.8
|
10
|
50
|
700
|
640
|
159
|
|
SDA-20/0.8
|
20
|
80
|
800
|
735
|
185
|
|
SDA-40/0.8
|
40
|
100
|
1000
|
930
|
230
|
|
SDA-60/0.8
|
60
|
125
|
260
|
|

注:接管法兰标准为:HG20593-20595-97。 |
|
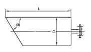
4、SDQ型压缩空气放空消声器 表5-26
|
型号
|
消声器技术参数
|
外型尺寸
|
接管规格DN
|
|
风量(m3/min)
|
适用压力(MPa)
|
温度(℃)
|
消声量db(A)
|
L
|
D
|
|
SDQ-7/0.8
|
3-7
|
0.8
|
200
|
35
|
822
|
159
|
40
|
|
SDQ-10/0.8
|
4-10
|
886
|
219
|
50
|
|
SDQ-16/0.8
|
7-16
|
1237
|
273
|
65
|
|
SDQ-20/0.8
|
10-23
|
1371
|
325
|
80
|
|
SDQ-40/0.8
|
29-66
|
1511
|
377
|
100
|
|
SDQ-60/0.8
|
22-73
|
1781
|
426
|
125
|
|
SDQ-100/0.8
|
54-123
|
1952
|
480
|
150
|
|

注:1、本系列消声器接管法兰标准为:HG20593-3.595-97
2、本系列消声器一般为卧式安装。 |
|
5、SDN型氮气放空消声器 表5-27
|
型号
|
消声器技术参数
|
外型尺寸(mm)
|
|
风量(m3/min)
|
适用压力(MPa)
|
温度(℃)
|
消声量db(A)
|
H
|
Φ
|
D
|
DH
|
|
SDN-400/0.6
|
300-500
|
0.6
|
200
|
30
|
1450
|
500
|
300
|
50
|
|
SDN-800/0.6
|
615-1230
|
1800
|
580
|
430
|
80
|
|
SDN-1600/0.6
|
1200-2000
|
2000
|
770
|
580
|
100
|
|
SDN-3200/0.6
|
2700-4500
|
2500
|
800
|
606
|
150
|
|
SDN-6400/0.6
|
4800-8000
|
2500
|
1000
|
780
|
200
|
|
SDN-10000/0.6
|
7500-12500
|
3000
|
1200
|
940
|
250
|
|
SDN-16000/0.6
|
10800-18000
|
3000
|
1400
|
1138
|
300
|
|
SDN-20000/0.6
|
12000-24000
|
3500
|
1700
|
1310
|
350
|
|
SDN-24000/0.6
|
19200-32000
|
3500
|
1700
|
1480
|
400
|
|

注:接管法兰标准为:
HG20593-20595-97
|
|