产品目录
松林石化:
过滤设备
·
SLYZ型过滤器系列
·
SLY型过滤器系列
·
SLS型篮式过滤器
·
SCB型锥形过滤器
·
SC型临时过滤器
·
SSQ型气体过滤器
·
SSW型清水过滤器
·
SSG型快速消污过滤器
·
SJS型精细过滤器系列
·
SLVY手动在线清理过滤器
·
SLAY全自动过滤器
静态混合设备
·
八大系列静态混合器
·
浆氯混合器
·
PSQ系列蒸汽喷射真空泵
·
PSH型喷射混合器
·
PSJ型喷射加热器
·
分配器
·
汽水混合器
·
煤气混合器
换热器冷却设备
·
SJHF换热器
·
SKF高效换热器
·
SC8-IB型取样冷却器
·
SC8-IIB型取样冷却器
动态混合设备
·
高剪切乳化机
·
SZHR双桶乳化机
·
标准反应釜
·
SYJ移动式搅拌器
·
SWZ型无重力混合机
·
SZG转鼓混合机
石化管道设备
·
视镜
·
快速接头
·
阻火器
·
阻爆燃型阻火器
·
阻火管
·
消声器
·
氧气、乙炔、煤气用点箱
·
蒸气分水器
·
乏气分离器
·
油水分离器
规整填料
·
规整填料
·
滤网参数
·
订货须知
油罐附件
·
液压安全阀
·
空气管
·
量油孔
·
透光孔
·
人孔
·
放水排污孔
·
清扫孔
·
泡沫发生器
呼吸阀
·
呼吸阀及阻火器阀
透光孔
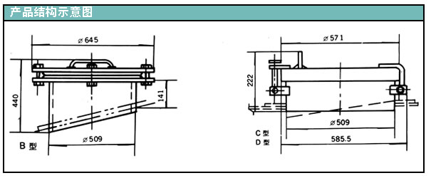
1、透光孔装于油罐顶部,供罐内采光用,A型装于平锥顶罐,B型装于拱顶油罐,C型装于重质油罐,本产品出厂不带加强板。
2、订货时请指明名称、规格、图号。
注:根据用户要求可生产其它“非标”产品
规 格
图 号
重量
(kg/台)
DN500-A
GTG-500A
45
DN500-B
GTG-500B
48
DN500-C
GTG-500C
20
DN500-D
GTG-500D
26
关于我们
|
产品介绍
|
信息反馈
|
联系方法
|
电子邮局
|
返回首页
|
电子信箱
版权所有© 启东市松林石化设备制造有限公司
地址:汇龙镇城东工业集中区1号 邮编:226200
电话:0513-83665998 手机:13951421718 13951305867