 |
|
| |
产品目录 |
|
|
|
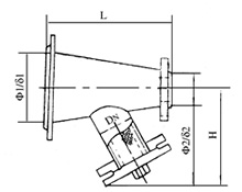
(四)SCB型过滤器 表1-17
规格型号及技术参数(单位:mm)
表1-17 |
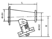
| 1、SCB D1异径法兰联接过滤器 |
|
公称直径D×D
|
PN1.6-4.0MPa
|
管塞N
|
|
δ
|
L
|
H
|
|
40×32
|
48/4×36/4
|
210
|
190
|
ZG3/8"
|
|
50×40
|
57/4×48/4
|
|
80×50
|
89/6.5×60/5
|
220
|
200
|
|
80×65
|
89/6.5×76/6
|
|
100×50
|
114/7×60/5
|
250
|
230
|
ZG3/4"
|
|
100×65
|
114/7×76/5
|
|
100×80
|
114/7×89/6.5
|
|
150×65
|
168/7×76/6
|
320
|
300
|
|
150×80
|
168/7×89/6.5
|
|
150×100
|
168/7×108/7
|
|
150×125
|
168/7×133/6.5
|
|
200×80
|
219/8×89/6.5
|
390
|
340
|
|
200×100
|
219/8×108/7
|
|
200×125
|
219/8×133/6.5
|
|
200×150
|
219/8×159/7
|
|
200×100
|
273/8108/7
|
470
|
390
|
|
250×125
|
273/8×133/6.5
|
|
250×150
|
273/8×159/7
|
|
250×200
|
273/8×219/8
|
|
300×150
|
325/8.5×159/7
|
530
|
420
|
|
300×200
|
325/8.5×219/8
|
|
300×250
|
325/8.5×273/8
|
|
|
|
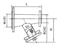
| 2、SCB D2异径法兰联接过滤器 |
|
|
|
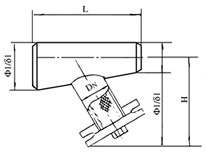
| 3、SCB D3异径法兰联接过滤器 |
4、SCB D4异径法兰联接过滤器 |
 |
 |
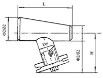
| 5、SCB D5异径法兰联接过滤器 |
6、SCB D6异径法兰联接过滤器 |
 |
 |
|
| |
|